GBn 285-1988标准基本信息
标准名称:精梳涤棉混纺色织布布面疵点评分方法
标准号:GBn 285-1988
标准格式:PDF
标准分类:国家标准
标准大小:86.65 KB
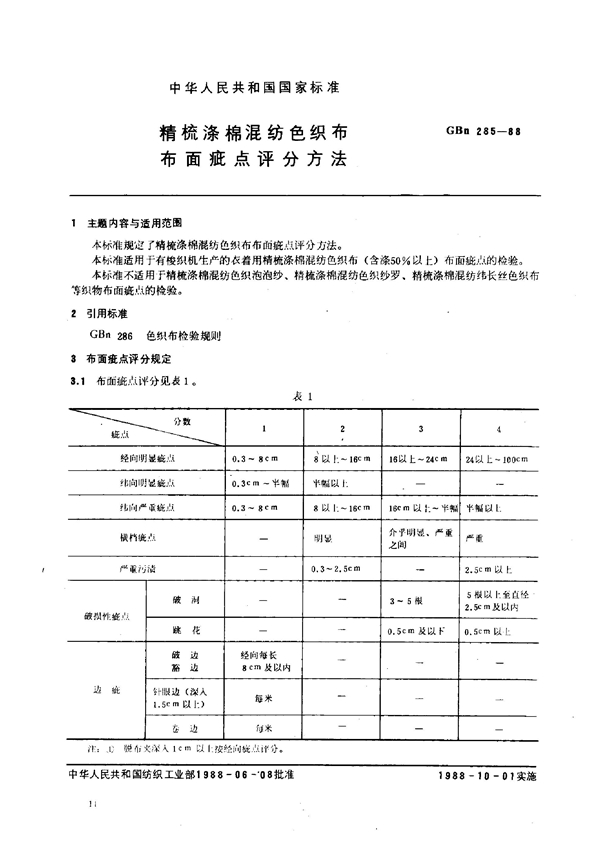
GBn 285-1988 精梳涤棉混纺色织布布面疵点评分方法

GBn 285-1988标准基本信息
标准名称:精梳涤棉混纺色织布布面疵点评分方法
标准号:GBn 285-1988
标准格式:PDF
标准分类:国家标准
标准大小:86.65 KB
GBn 285-1988 精梳涤棉混纺色织布布面疵点评分方法

声明:资源收集自用户分享或网络,仅为个人学习参考使用,如侵犯您的权益,请联系我们处理。
不能下载?报告错误